| 产品名称 | 螺牙 | 结构 | 芯数 | 产品型号 | 3D下载 | 2D下载 |
| M8弯针孔型插座-5B芯 | M10x0.75 | 插板式(PCB),全塑快插款 | 5B | M8-S5B-PPL M10-KC |
|
|
| M8弯针孔型插座-5B芯 | M10x0.75 | 插板式(PCB),全塑快插款 | 5B | M8-S5B-PPL M10-KK | ||
| M8弯针孔型插座-5B芯 | M10x0.75 | 插板式(PCB),全塑快插款 | 5B | M8-S5B-PPL M10-KB |
机械参数
| 壳体材料: | 黄铜镀镍/锌合金度镍 |
| 胶芯材料: | PA66 |
| 密封材料: | 环氧树脂/橡胶 |
| 插针材料: | 黄铜/磷铜镀金 |
| 成型材料: | TPU/PVC |
| 绝缘阻抗: | ≥100 MΩ |
| 接触阻抗: | ≤5 mΩ |
| 插拔次数: | ≥500 次 |
| 适用温度: | -25℃ ~ +80℃ |
| 防护等级: | IP65/IP67 |
| 执行标准: | IEC 61076-2-104 |
电气参数

| 产品名称 | 螺牙 | 结构 | 芯数 | 产品型号 | 3D下载 | 2D下载 |
| M8弯针孔型插座-5B芯 | M10x0.75 | 插板式(PCB),全塑快插款 | 5B | M8-S5B-PPL M10-KC |
|
|
| M8弯针孔型插座-5B芯 | M10x0.75 | 插板式(PCB),全塑快插款 | 5B | M8-S5B-PPL M10-KK | ||
| M8弯针孔型插座-5B芯 | M10x0.75 | 插板式(PCB),全塑快插款 | 5B | M8-S5B-PPL M10-KB |
| 产品目录 | CAZN正成-欧标产品选型手册 |
| EMC认证 | 查看 |
| RoHS报告 | 查看 |
| 正成连接器欧标系列-EMC证书 | 查看 |
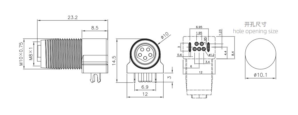
尺寸图

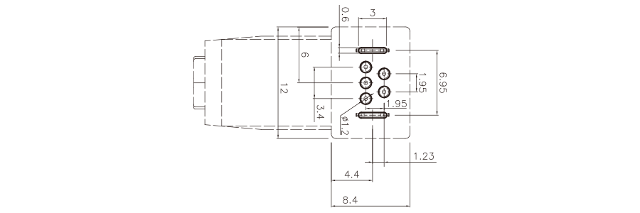
PCB芯位图

欧标连接器 M8系列,
结构类型:弯针插座,
接线类型:PCB板式,
插针类型:孔型,
芯数:3,4,5,6,8 pin,
接地:否,
认证:CE,RoHS,UL,
标准:IEC 61076-2-104,
机械参数
| 壳体材料: | 黄铜镀镍/锌合金度镍 |
| 胶芯材料: | PA66 |
| 密封材料: | 环氧树脂/橡胶 |
| 插针材料: | 黄铜/磷铜镀金 |
| 成型材料: | TPU/PVC |
| 绝缘阻抗: | ≥100 MΩ |
| 接触阻抗: | ≤5 mΩ |
| 插拔次数: | ≥500 次 |
| 适用温度: | -25℃ ~ +80℃ |
| 防护等级: | IP65/IP67 |
| 执行标准: | IEC 61076-2-104 |
电气参数

| 产品名称 | 螺牙 | 结构 | 芯数 | 产品型号 | 3D下载 | 2D下载 |
| M8弯针孔型插座-5B芯 | M10x0.75 | 插板式(PCB),全塑快插款 | 5B | M8-S5B-PPL M10-KC |
|
|
| M8弯针孔型插座-5B芯 | M10x0.75 | 插板式(PCB),全塑快插款 | 5B | M8-S5B-PPL M10-KK | ||
| M8弯针孔型插座-5B芯 | M10x0.75 | 插板式(PCB),全塑快插款 | 5B | M8-S5B-PPL M10-KB |
| 产品目录 | CAZN正成-欧标产品选型手册 |
| EMC认证 | 查看 |
| RoHS报告 | 查看 |
| 正成连接器欧标系列-EMC证书 | 查看 |
尺寸图

PCB芯位图


扫一扫
关注官方微信