| 产品名称 | 规格 | 产品型号 | 3D下载 | 2D下载 |
| HDMI 母头/母头 板后插座(螺纹式) | HDMI-2K | E13T-FH2-PRF | ↓ | ↓ |
| HDMI 母头/母头 板后插座(螺纹式) | HDMI-4K | E13T-FH4-PRF | ↓ | ↓ |
| HDMI 母头/母头 板后插座(螺纹式) | HDMI-8K | E13T-FH8-PRF | ↓ | ↓ |
机械参数
| 塑料材料: | PA66,尼龙,增强尼龙,硅胶 |
| 金属材料: | 铜镀金 |
| 连接方式: | 螺纹锁紧(T) |
| 接线方式: | 焊接、焊板 |
| 接触电阻: | 30 mΩ |
| 插拔次数: | ≥10000次(Cycles) |
| 绝缘阻抗: | ≥100 mΩ DC500V |
| 适用温度: | -40℃ ~ +105℃ |
| 额定电流: | 50 mA |
| 防护等级: | IP67 |
| 产品规格: | 13/16"-28UNS |
| 产品名称 | 规格 | 产品型号 | 3D下载 | 2D下载 |
| HDMI 母头/母头 板后插座(螺纹式) | HDMI-2K | E13T-FH2-PRF | ↓ | ↓ |
| HDMI 母头/母头 板后插座(螺纹式) | HDMI-4K | E13T-FH4-PRF | ↓ | ↓ |
| HDMI 母头/母头 板后插座(螺纹式) | HDMI-8K | E13T-FH8-PRF | ↓ | ↓ |
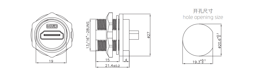
尺寸图

塑胶防水连接器 HDMI系列,
结构类型:板后安装插座,
插头类型:双母头,
连接方式:螺纹式,
规格:HDMI 2K、HDMI 4K、HDMI 8K
认证:CE RoHS,
机械参数
| 塑料材料: | PA66,尼龙,增强尼龙,硅胶 |
| 金属材料: | 铜镀金 |
| 连接方式: | 螺纹锁紧(T) |
| 接线方式: | 焊接、焊板 |
| 接触电阻: | 30 mΩ |
| 插拔次数: | ≥10000次(Cycles) |
| 绝缘阻抗: | ≥100 mΩ DC500V |
| 适用温度: | -40℃ ~ +105℃ |
| 额定电流: | 50 mA |
| 防护等级: | IP67 |
| 产品规格: | 13/16"-28UNS |
| 产品名称 | 规格 | 产品型号 | 3D下载 | 2D下载 |
| HDMI 母头/母头 板后插座(螺纹式) | HDMI-2K | E13T-FH2-PRF | ↓ | ↓ |
| HDMI 母头/母头 板后插座(螺纹式) | HDMI-4K | E13T-FH4-PRF | ↓ | ↓ |
| HDMI 母头/母头 板后插座(螺纹式) | HDMI-8K | E13T-FH8-PRF | ↓ | ↓ |
尺寸图


扫一扫
关注官方微信