| 型号 | 名字 | 额定电压 | 额定电流 | 芯数 | 3D下载 | 2D下载 |
| HEE-018-MC | HEE高密度型插芯 冷压连接 18+PE 公头 | 500V | 16A | 18+PE | ||
| HEE-018-FC | HEE高密度型插芯 冷压连接 18+PE 母头 | 500V | 16A | 18+PE |
技术参数
| 规范: | DIN EN 60 664 / DIN EN 61 984 |
| 额定电流: | 16A |
| 额定电压: | 500V |
| 额定脉冲电压: | 6kV |
| 污染程度: | 3 |
| 污染等级2时的参数: | 16A 830V 8kV 2 |
| 依据UL/CSA额定电压: | 600V |
| 绝缘电阻: | ≥1010Ω |
| 材料: | 聚碳酸酯 Polycarbonate |
| 工作温度范围: | -40℃~+125℃ |
| 阻燃等级: | V0 |
| 可拔插次数: | ≥500 |
| 插针材料: | 铜合金 Copper Alloy |
| 表面处理: | 镀金 Hard-gold Plated / 镀银 Hard-silver Plated |
| 接触电阻: | ≤1mΩ |
连接方式

电流负载能力

HEE调整插针分布可提高工作电压至1000V
HEE接插体在装满针时,在绝缘等级3(C)时,其工作电压可达到500V。但其插针分布经过调整,同样在绝缘等级3(C)时,其工作电压允许值可达到1000V。


| 型号 | 名字 | 额定电压 | 额定电流 | 芯数 | 3D下载 | 2D下载 |
| HEE-018-MC | HEE高密度型插芯 冷压连接 18+PE 公头 | 500V | 16A | 18+PE | ||
| HEE-018-FC | HEE高密度型插芯 冷压连接 18+PE 母头 | 500V | 16A | 18+PE |
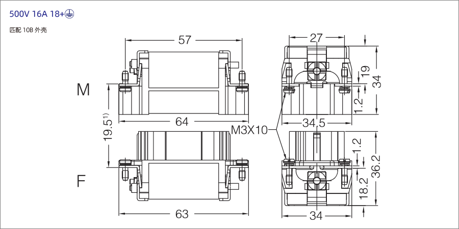
尺寸图

技术参数
| 规范: | DIN EN 60 664 / DIN EN 61 984 |
| 额定电流: | 16A |
| 额定电压: | 500V |
| 额定脉冲电压: | 6kV |
| 污染程度: | 3 |
| 污染等级2时的参数: | 16A 830V 8kV 2 |
| 依据UL/CSA额定电压: | 600V |
| 绝缘电阻: | ≥1010Ω |
| 材料: | 聚碳酸酯 Polycarbonate |
| 工作温度范围: | -40℃~+125℃ |
| 阻燃等级: | V0 |
| 可拔插次数: | ≥500 |
| 插针材料: | 铜合金 Copper Alloy |
| 表面处理: | 镀金 Hard-gold Plated / 镀银 Hard-silver Plated |
| 接触电阻: | ≤1mΩ |
连接方式

电流负载能力

HEE调整插针分布可提高工作电压至1000V
HEE接插体在装满针时,在绝缘等级3(C)时,其工作电压可达到500V。但其插针分布经过调整,同样在绝缘等级3(C)时,其工作电压允许值可达到1000V。


| 型号 | 名字 | 额定电压 | 额定电流 | 芯数 | 3D下载 | 2D下载 |
| HEE-018-MC | HEE高密度型插芯 冷压连接 18+PE 公头 | 500V | 16A | 18+PE | ||
| HEE-018-FC | HEE高密度型插芯 冷压连接 18+PE 母头 | 500V | 16A | 18+PE |
尺寸图


扫一扫
关注官方微信