| 型号 | 名字 | 额定电压 | 额定电流 | 芯数 | 3D下载 | 2D下载 |
| HD-015-MCN | HD超高密度型插芯 冷压连接 15+PE 公头 | 250V | 10A | 15+PE | ||
| HD-015-FCN | HD超高密度型插芯 冷压连接 15+PE 母头 | 250V | 10A | 15+PE |
技术参数
| 规范: | DIN EN 60 664 / DIN EN 61 984 |
| 额定电流: | 10A |
| 额定电压: | 250V |
| 额定脉冲电压: | 4kV |
| 污染程度: | 3 |
| 污染等级2时的参数: | 10A 230/400V 4kV 2 |
| 依据UL/CSA额定电压: | 600V |
| 依据CSA绕线连接的额定电压: | 2A 30V |
| 绝缘电阻: | ≥1010Ω |
| 材料: | 聚碳酸酯 Polycarbonate |
| 工作温度范围: | -40℃~+125℃ |
| 阻燃等级: | V0 |
| 可拔插次数: | ≥500 |
| 插针材料: | 铜合金 Copper Alloy |
| 表面处理: | 镀金 Hard-gold Plated / 镀银 Hard-silver Plated |
| 接触电阻: | ≤3mΩ |
连接方式

电流负载能力
电流负载能力所受的限制主要来自包含接插针的接插体可承受的最大温度
测试和控制过程依据 DIN EN 60512-5

HD调整插针分布可提高工作电压至500V
HD接插体在装满针时,在绝缘等级3(C)时,其工作电压可达到250V。但其插针分布经过调整,同样在绝缘等级3(C)时,其工作电压允许值可达到500V。
调整后插针分布

| 型号 | 名字 | 额定电压 | 额定电流 | 芯数 | 3D下载 | 2D下载 |
| HD-015-MCN | HD超高密度型插芯 冷压连接 15+PE 公头 | 250V | 10A | 15+PE | ||
| HD-015-FCN | HD超高密度型插芯 冷压连接 15+PE 母头 | 250V | 10A | 15+PE |
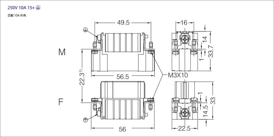
尺寸图

技术参数
| 规范: | DIN EN 60 664 / DIN EN 61 984 |
| 额定电流: | 10A |
| 额定电压: | 250V |
| 额定脉冲电压: | 4kV |
| 污染程度: | 3 |
| 污染等级2时的参数: | 10A 230/400V 4kV 2 |
| 依据UL/CSA额定电压: | 600V |
| 依据CSA绕线连接的额定电压: | 2A 30V |
| 绝缘电阻: | ≥1010Ω |
| 材料: | 聚碳酸酯 Polycarbonate |
| 工作温度范围: | -40℃~+125℃ |
| 阻燃等级: | V0 |
| 可拔插次数: | ≥500 |
| 插针材料: | 铜合金 Copper Alloy |
| 表面处理: | 镀金 Hard-gold Plated / 镀银 Hard-silver Plated |
| 接触电阻: | ≤3mΩ |
连接方式

电流负载能力
电流负载能力所受的限制主要来自包含接插针的接插体可承受的最大温度
测试和控制过程依据 DIN EN 60512-5

HD调整插针分布可提高工作电压至500V
HD接插体在装满针时,在绝缘等级3(C)时,其工作电压可达到250V。但其插针分布经过调整,同样在绝缘等级3(C)时,其工作电压允许值可达到500V。
调整后插针分布

| 型号 | 名字 | 额定电压 | 额定电流 | 芯数 | 3D下载 | 2D下载 |
| HD-015-MCN | HD超高密度型插芯 冷压连接 15+PE 公头 | 250V | 10A | 15+PE | ||
| HD-015-FCN | HD超高密度型插芯 冷压连接 15+PE 母头 | 250V | 10A | 15+PE |
尺寸图


扫一扫
关注官方微信