
| 产品名称 | 出线尺寸-PG | 出线尺寸-PG9 | 芯数 | 3D下载 | 2D下载 |
| M12板前安装孔型插座 数据型 焊线式 螺牙M16x1.5 | M12-S8X-GWBM16 | 8 | ↓ | ↓ | |
| M12板前安装孔型插座 数据型 插板式 螺牙M16x1.5 | M12-S8X-GWBM16 | 8 | ↓ | ↓ | |
| M12板后安装孔型插座 数据型 焊线式 螺牙M16x1.5 | M12-S8X-GWFM16 | 8 | |||
| M12板后安装孔型插座 数据型 插板式 螺牙M16x1.5 | M12-S8X-GPFM16 | 8 |
机械参数
| 壳体材料: | 黄铜镀镍/锌合金度镍/PA+GF |
| 胶芯材料: | PA+GF/TPU |
| 密封材料: | 环氧树脂/橡胶 |
| 插针材料: | 磷铜镀金/黄铜 |
| 成型材料: | TPU/PVC |
| 绝缘阻抗: | ≥100 MΩ |
| 接触阻抗: | ≤5 mΩ |
| 插拔次数: | ≥500 次 |
| 适用温度: | -25℃ ~ +80℃ |
| 防护等级: | IP65/IP67 |
| 执行标准: | IEC 61076-2-101 |


电气参数


| 产品名称 | 出线尺寸-PG | 出线尺寸-PG9 | 芯数 | 3D下载 | 2D下载 |
| M12板前安装孔型插座 数据型 焊线式 螺牙M16x1.5 | M12-S8X-GWBM16 | 8 | ↓ | ↓ | |
| M12板前安装孔型插座 数据型 插板式 螺牙M16x1.5 | M12-S8X-GWBM16 | 8 | ↓ | ↓ | |
| M12板后安装孔型插座 数据型 焊线式 螺牙M16x1.5 | M12-S8X-GWFM16 | 8 | |||
| M12板后安装孔型插座 数据型 插板式 螺牙M16x1.5 | M12-S8X-GPFM16 | 8 |
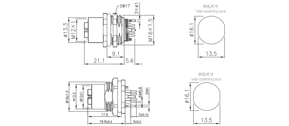
尺寸图

接线定义

型号:M12-(SP)8X-GWB/GPFM16
欧标连接器 M12系列,NMEA-M12-X型系列
结构类型:板前/后安装插座
插针类型:孔型
芯数:8 pin
连接方式:插板式/焊线式
屏蔽:是
认证:CE RoHS
标准:IEC 61076-2-101
机械参数
| 壳体材料: | 黄铜镀镍/锌合金度镍/PA+GF |
| 胶芯材料: | PA+GF/TPU |
| 密封材料: | 环氧树脂/橡胶 |
| 插针材料: | 磷铜镀金/黄铜 |
| 成型材料: | TPU/PVC |
| 绝缘阻抗: | ≥100 MΩ |
| 接触阻抗: | ≤5 mΩ |
| 插拔次数: | ≥500 次 |
| 适用温度: | -25℃ ~ +80℃ |
| 防护等级: | IP65/IP67 |
| 执行标准: | IEC 61076-2-101 |


电气参数


| 产品名称 | 出线尺寸-PG | 出线尺寸-PG9 | 芯数 | 3D下载 | 2D下载 |
| M12板前安装孔型插座 数据型 焊线式 螺牙M16x1.5 | M12-S8X-GWBM16 | 8 | ↓ | ↓ | |
| M12板前安装孔型插座 数据型 插板式 螺牙M16x1.5 | M12-S8X-GWBM16 | 8 | ↓ | ↓ | |
| M12板后安装孔型插座 数据型 焊线式 螺牙M16x1.5 | M12-S8X-GWFM16 | 8 | |||
| M12板后安装孔型插座 数据型 插板式 螺牙M16x1.5 | M12-S8X-GPFM16 | 8 |
尺寸图

接线定义


扫一扫
关注官方微信