
| 产品名称 | 出线尺寸-PG13.5 | 出线尺寸-PG9 | 芯数 | 3D下载 | 2D下载 |
| 7/8板前安装针型插座 焊线式 螺牙PG13.5 | 7/8-P5-GWBP13.5 | 5 | ↓ | ↓ | |
| 7/8板前安装孔型插座 焊线式 螺牙PG13.5 | 7/8-S5-GWBP13.5 | 5 | ↓ | ↓ | |
| 7/8板后安装针型插座 焊线式 螺牙7/8-16UHF | 7/8-P5-GWF7/8 | 5 | |||
| 7/8板后安装孔型插座 焊线式 螺牙M26x1.5 | 7/8-S6-GWFM26 | 5 |
机械参数
| 壳体材料: | 黄铜镀镍/锌合金度镍/PA+GF |
| 胶芯材料: | PA+GF/TPU |
| 密封材料: | 环氧树脂/橡胶 |
| 插针材料: | 黄铜/磷铜镀金 |
| 防护等级: | IP65/IP67 |
| 绝缘阻抗: | ≥100 mΩ |
| 接触阻抗: | ≤5 mΩ |
| 插拔次数: | ≥500 次 |
| 适用温度: | -25℃ ~ +80℃ |
| 执行标准: | IEC 61076-2-101 |


电气参数


| 产品名称 | 出线尺寸-PG13.5 | 出线尺寸-PG9 | 芯数 | 3D下载 | 2D下载 |
| 7/8板前安装针型插座 焊线式 螺牙PG13.5 | 7/8-P5-GWBP13.5 | 5 | ↓ | ↓ | |
| 7/8板前安装孔型插座 焊线式 螺牙PG13.5 | 7/8-S5-GWBP13.5 | 5 | ↓ | ↓ | |
| 7/8板后安装针型插座 焊线式 螺牙7/8-16UHF | 7/8-P5-GWF7/8 | 5 | |||
| 7/8板后安装孔型插座 焊线式 螺牙M26x1.5 | 7/8-S6-GWFM26 | 5 |
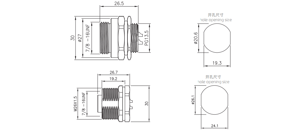
尺寸图

接线定义

型号:7/8-(SP)5-GWB/GWFP13.5
欧标连接器 7/8系列,NMEA-Mini-7/8-5芯系列
结构类型:板前/后安装插座
插针类型:孔型/针型
芯数:5 pin
连接方式:焊线式
屏蔽:是
认证:CE RoHS
标准:IEC 61076-2-101
机械参数
| 壳体材料: | 黄铜镀镍/锌合金度镍/PA+GF |
| 胶芯材料: | PA+GF/TPU |
| 密封材料: | 环氧树脂/橡胶 |
| 插针材料: | 黄铜/磷铜镀金 |
| 防护等级: | IP65/IP67 |
| 绝缘阻抗: | ≥100 mΩ |
| 接触阻抗: | ≤5 mΩ |
| 插拔次数: | ≥500 次 |
| 适用温度: | -25℃ ~ +80℃ |
| 执行标准: | IEC 61076-2-101 |


电气参数


| 产品名称 | 出线尺寸-PG13.5 | 出线尺寸-PG9 | 芯数 | 3D下载 | 2D下载 |
| 7/8板前安装针型插座 焊线式 螺牙PG13.5 | 7/8-P5-GWBP13.5 | 5 | ↓ | ↓ | |
| 7/8板前安装孔型插座 焊线式 螺牙PG13.5 | 7/8-S5-GWBP13.5 | 5 | ↓ | ↓ | |
| 7/8板后安装针型插座 焊线式 螺牙7/8-16UHF | 7/8-P5-GWF7/8 | 5 | |||
| 7/8板后安装孔型插座 焊线式 螺牙M26x1.5 | 7/8-S6-GWFM26 | 5 |
尺寸图

接线定义


扫一扫
关注官方微信