| 产品名称 | 芯数 | 产品型号 | 3D下载 | 2D下载 |
| E16 EUSB 母PCB板后插座(卡扣式) | USB2.0 | E16B-FU2-PPF | ↓ | |
| E16 EUSB 母PCB板后插座(卡扣式) | USB3.0 | E16B-FU3-PPF | ↓ |
机械参数
| 外壳材料: | 增强尼龙,黑色 |
| 插针材料: | 黄铜,镀金 |
| 密封材料: | 硅胶,黑色 |
| 绝缘体材料: | 增强尼龙,黑色 |
| 连接方式: | 卡扣锁紧(B) |
| 接线方式: | 焊接 |
| 接触阻抗: | ≦30mΩ |
| 插拔次数: | ≥500次 |
| 绝缘阻抗: | 100MΩ |
| 适用温度: | -45℃ ~ +80℃ |
| 额定电流: | 1.5A |
| 防护等级: | IP65/IP67 |
| 产品规格: | 1"-20UNEF |
| 耐电压: | ≧AC 1000V / 1 分钟 |
| 阻燃等级: | UL94-V0 |
| 产品名称 | 芯数 | 产品型号 | 3D下载 | 2D下载 |
| E16 EUSB 母PCB板后插座(卡扣式) | USB2.0 | E16B-FU2-PPF | ↓ | |
| E16 EUSB 母PCB板后插座(卡扣式) | USB3.0 | E16B-FU3-PPF | ↓ |
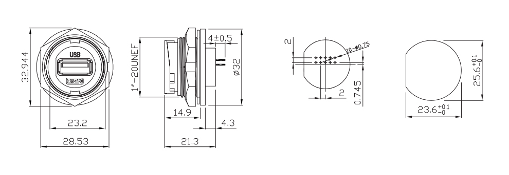
尺寸图

PCB芯位图
塑胶防水连接器 E16 EUSB系列,
结构类型:板后安装插座(卡扣式),
插针类型:孔型,
连接方式:PCB板式,
芯数:USB2.0,USB3.0
屏蔽:否,
认证:CE RoHS
机械参数
| 外壳材料: | 增强尼龙,黑色 |
| 插针材料: | 黄铜,镀金 |
| 密封材料: | 硅胶,黑色 |
| 绝缘体材料: | 增强尼龙,黑色 |
| 连接方式: | 卡扣锁紧(B) |
| 接线方式: | 焊接 |
| 接触阻抗: | ≦30mΩ |
| 插拔次数: | ≥500次 |
| 绝缘阻抗: | 100MΩ |
| 适用温度: | -45℃ ~ +80℃ |
| 额定电流: | 1.5A |
| 防护等级: | IP65/IP67 |
| 产品规格: | 1"-20UNEF |
| 耐电压: | ≧AC 1000V / 1 分钟 |
| 阻燃等级: | UL94-V0 |
| 产品名称 | 芯数 | 产品型号 | 3D下载 | 2D下载 |
| E16 EUSB 母PCB板后插座(卡扣式) | USB2.0 | E16B-FU2-PPF | ↓ | |
| E16 EUSB 母PCB板后插座(卡扣式) | USB3.0 | E16B-FU3-PPF | ↓ |
尺寸图

PCB芯位图

扫一扫
关注官方微信