| 产品名称 | 芯数 | 产品型号-带屏蔽 | 产品型号-非屏蔽 | 3D下载 | 2D下载 |
EP-TYPE-C面板型板前安装母插座/ USB公直插头(螺纹式)-xx米-PVC线材 | USB2.0 | EP-FT2-PWF/MU2-NWA-xxPV-S | EP-FT2-PWF/MU2-NWA-xxPV | ||
EP-TYPE-C面板型板前安装母插座/ USB公直插头(螺纹式)-xx米-PVC线材 | USB3.0 | EP-FT3-PWF/MU3-NWA-xxPV-S | EP-FT3-PWF/MU3-NWA-xxPV | ↓ | |
EP-TYPE-C面板型板前安装母插座/ USB公直插头(螺纹式)-xx米-PVC线材 | USB3.1 | EP-FT3.1-PWF/MU3.1-NWA-xxPV-S | EP-FT3.1-PWF/MU3.1-NWA-xxPV | ||
EP-TYPE-C面板型板前安装母插座/ USB公直插头(螺纹式)-xx米-PVC线材 | USB4.0 | EP-FT4-PWF/MU4-NWA-xxPV-S | EP-FT4-PWF/MU4-NWA-xxPV |
*如需要选择其他线材,请咨询客服
机械参数
| 外壳材料: | 热塑性塑料PA66 阻燃等级:V-0 |
| 插针材料: | 黄铜/磷铜镀金 |
| 密封材料: | 环氧树脂/橡胶 |
| 连接方式: | 螺纹锁紧(T) |
| 接线方式: | 焊接 |
| 接触阻抗: | ≤5mΩ |
| 插拔次数: | ≥500次 |
| 绝缘阻抗: | ≥100mΩ |
| 适用温度: | -40℃ ~ +105℃ |
| 防护等级: | IP67,IP68 |
| 线缆材料: | PVC外被 |
| 额定电流: | 1~3A |
| 额定电压: | 5~20V |
| 产品名称 | 芯数 | 产品型号-带屏蔽 | 产品型号-非屏蔽 | 3D下载 | 2D下载 |
EP-TYPE-C面板型板前安装母插座/ USB公直插头(螺纹式)-xx米-PVC线材 | USB2.0 | EP-FT2-PWF/MU2-NWA-xxPV-S | EP-FT2-PWF/MU2-NWA-xxPV | ||
EP-TYPE-C面板型板前安装母插座/ USB公直插头(螺纹式)-xx米-PVC线材 | USB3.0 | EP-FT3-PWF/MU3-NWA-xxPV-S | EP-FT3-PWF/MU3-NWA-xxPV | ↓ | |
EP-TYPE-C面板型板前安装母插座/ USB公直插头(螺纹式)-xx米-PVC线材 | USB3.1 | EP-FT3.1-PWF/MU3.1-NWA-xxPV-S | EP-FT3.1-PWF/MU3.1-NWA-xxPV | ||
EP-TYPE-C面板型板前安装母插座/ USB公直插头(螺纹式)-xx米-PVC线材 | USB4.0 | EP-FT4-PWF/MU4-NWA-xxPV-S | EP-FT4-PWF/MU4-NWA-xxPV |
*如需要选择其他线材,请咨询客服
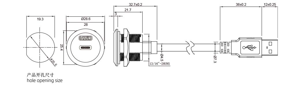
尺寸图

塑胶防水连接器 EP面板系列,
结构类型:面板型板前安装母插座,
插针类型:孔型,
连接方式:焊接式,
芯数:USB 2.0,3.0,3.1,4.0 ,
屏蔽:可定制,
认证:CE RoHS,
机械参数
| 外壳材料: | 热塑性塑料PA66 阻燃等级:V-0 |
| 插针材料: | 黄铜/磷铜镀金 |
| 密封材料: | 环氧树脂/橡胶 |
| 连接方式: | 螺纹锁紧(T) |
| 接线方式: | 焊接 |
| 接触阻抗: | ≤5mΩ |
| 插拔次数: | ≥500次 |
| 绝缘阻抗: | ≥100mΩ |
| 适用温度: | -40℃ ~ +105℃ |
| 防护等级: | IP67,IP68 |
| 线缆材料: | PVC外被 |
| 额定电流: | 1~3A |
| 额定电压: | 5~20V |
| 产品名称 | 芯数 | 产品型号-带屏蔽 | 产品型号-非屏蔽 | 3D下载 | 2D下载 |
EP-TYPE-C面板型板前安装母插座/ USB公直插头(螺纹式)-xx米-PVC线材 | USB2.0 | EP-FT2-PWF/MU2-NWA-xxPV-S | EP-FT2-PWF/MU2-NWA-xxPV | ||
EP-TYPE-C面板型板前安装母插座/ USB公直插头(螺纹式)-xx米-PVC线材 | USB3.0 | EP-FT3-PWF/MU3-NWA-xxPV-S | EP-FT3-PWF/MU3-NWA-xxPV | ↓ | |
EP-TYPE-C面板型板前安装母插座/ USB公直插头(螺纹式)-xx米-PVC线材 | USB3.1 | EP-FT3.1-PWF/MU3.1-NWA-xxPV-S | EP-FT3.1-PWF/MU3.1-NWA-xxPV | ||
EP-TYPE-C面板型板前安装母插座/ USB公直插头(螺纹式)-xx米-PVC线材 | USB4.0 | EP-FT4-PWF/MU4-NWA-xxPV-S | EP-FT4-PWF/MU4-NWA-xxPV |
*如需要选择其他线材,请咨询客服
尺寸图


扫一扫
关注官方微信