| 产品名称 | 额定电压 | 额定电流 | 芯数 | 产品型号 | 3D下载 | 2D下载 |
| E7 板后安装 针型 插座(卡扣式) | 125V | 5A | 2 | E7B-P2-PWF | ↓ | |
| E7 板后安装 针型 插座(卡扣式) | 125V | 5A | 3 | E7B-P3-PWF | ↓ | |
| E7 板后安装 针型 插座(卡扣式) | 60V | 2A | 4 | E7B-P4-PWF | ↓ | |
| E7 板后安装 针型 插座(卡扣式) | 60V | 2A | 5 | E7B-P5-PWF | ↓ | |
| E7 板后安装 针型 插座(卡扣式) | 60V | 2A | 6 | E7B-P6-PWF | ↓ |
机械参数
| 外壳材料: | 热塑性塑料PA66 阻燃等级:V-0 |
| 插针材料: | 黄铜/磷铜镀金 |
| 密封材料: | 环氧树脂/橡胶 |
| 连接方式: | 螺纹锁紧(T);卡扣锁紧(B) |
| 接线方式: | 焊接 |
| 接触阻抗: | ≤5mΩ |
| 插拔次数: | ≥500次 |
| 绝缘阻抗: | ≥100mΩ |
| 适用温度: | -25℃ ~ +105℃ |
| 接线范围: | 3.5mm~6.8mm |
| 防护等级: | IP67,IP68 |
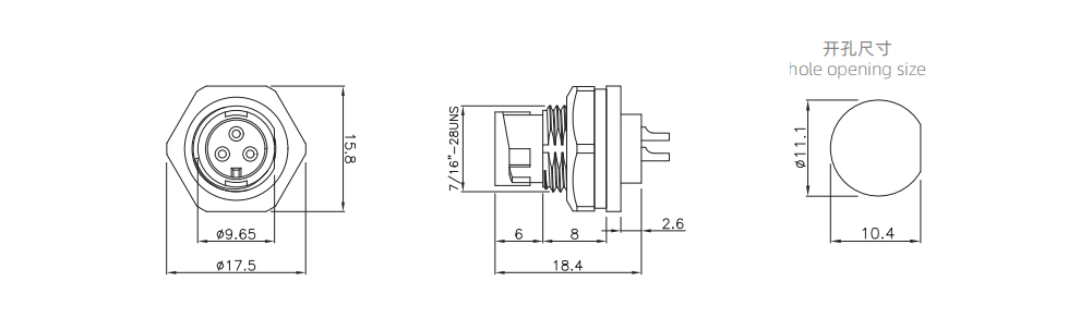
| 产品规格: | 7/16"-28UNS |
电气参数

| 产品名称 | 额定电压 | 额定电流 | 芯数 | 产品型号 | 3D下载 | 2D下载 |
| E7 板后安装 针型 插座(卡扣式) | 125V | 5A | 2 | E7B-P2-PWF | ↓ | |
| E7 板后安装 针型 插座(卡扣式) | 125V | 5A | 3 | E7B-P3-PWF | ↓ | |
| E7 板后安装 针型 插座(卡扣式) | 60V | 2A | 4 | E7B-P4-PWF | ↓ | |
| E7 板后安装 针型 插座(卡扣式) | 60V | 2A | 5 | E7B-P5-PWF | ↓ | |
| E7 板后安装 针型 插座(卡扣式) | 60V | 2A | 6 | E7B-P6-PWF | ↓ |
尺寸图

塑胶防水连接器 E7系列,
结构类型:板后安装插座,
插针类型:针型,
连接方式:焊线式,
芯数:2,3,4,5,6pin ,
屏蔽:否,
认证:CE RoHS,
机械参数
| 外壳材料: | 热塑性塑料PA66 阻燃等级:V-0 |
| 插针材料: | 黄铜/磷铜镀金 |
| 密封材料: | 环氧树脂/橡胶 |
| 连接方式: | 螺纹锁紧(T);卡扣锁紧(B) |
| 接线方式: | 焊接 |
| 接触阻抗: | ≤5mΩ |
| 插拔次数: | ≥500次 |
| 绝缘阻抗: | ≥100mΩ |
| 适用温度: | -25℃ ~ +105℃ |
| 接线范围: | 3.5mm~6.8mm |
| 防护等级: | IP67,IP68 |
| 产品规格: | 7/16"-28UNS |
电气参数

| 产品名称 | 额定电压 | 额定电流 | 芯数 | 产品型号 | 3D下载 | 2D下载 |
| E7 板后安装 针型 插座(卡扣式) | 125V | 5A | 2 | E7B-P2-PWF | ↓ | |
| E7 板后安装 针型 插座(卡扣式) | 125V | 5A | 3 | E7B-P3-PWF | ↓ | |
| E7 板后安装 针型 插座(卡扣式) | 60V | 2A | 4 | E7B-P4-PWF | ↓ | |
| E7 板后安装 针型 插座(卡扣式) | 60V | 2A | 5 | E7B-P5-PWF | ↓ | |
| E7 板后安装 针型 插座(卡扣式) | 60V | 2A | 6 | E7B-P6-PWF | ↓ |
尺寸图


扫一扫
关注官方微信