| 型号 | 描述 | 3D下载 | 2D下载 |
| PE-E16 | 电缆终端 用于PE扩展 16mm2 | 
| 
|
插针技术参数
| 材料: | 铜合金 Copper Alloy |
| 表面处理: | 镀银 Hard-silver Plated |
| 接触电阻: | ≤0.3mΩ |
| 电缆绞线依据IEC 60 228-5 |
|
| 轴向螺栓连接 |
|
| 导线规格: | 10-38mm2 |
| AWG: | 6-2 |
| 内六角扳手: | SW 4 |
| 剥线长度: | 13mm |
| 拧紧力矩 |
|
| 导线规格: | 10 16 25 35 |
| Nm: | 6 6 7 8 |
| 型号 | 描述 | 3D下载 | 2D下载 |
| PE-E16 | 电缆终端 用于PE扩展 16mm2 | 
| 
|
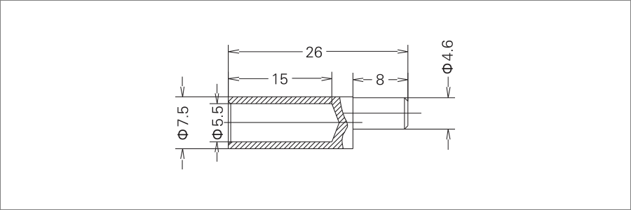
尺寸图

插针技术参数
| 材料: | 铜合金 Copper Alloy |
| 表面处理: | 镀银 Hard-silver Plated |
| 接触电阻: | ≤0.3mΩ |
| 电缆绞线依据IEC 60 228-5 |
|
| 轴向螺栓连接 |
|
| 导线规格: | 10-38mm2 |
| AWG: | 6-2 |
| 内六角扳手: | SW 4 |
| 剥线长度: | 13mm |
| 拧紧力矩 |
|
| 导线规格: | 10 16 25 35 |
| Nm: | 6 6 7 8 |
| 型号 | 描述 | 3D下载 | 2D下载 |
| PE-E16 | 电缆终端 用于PE扩展 16mm2 | 
| 
|
尺寸图

-
-
服务热线
86-0755-2900 5959
-
扫一扫
关注官方微信
-
返回顶部